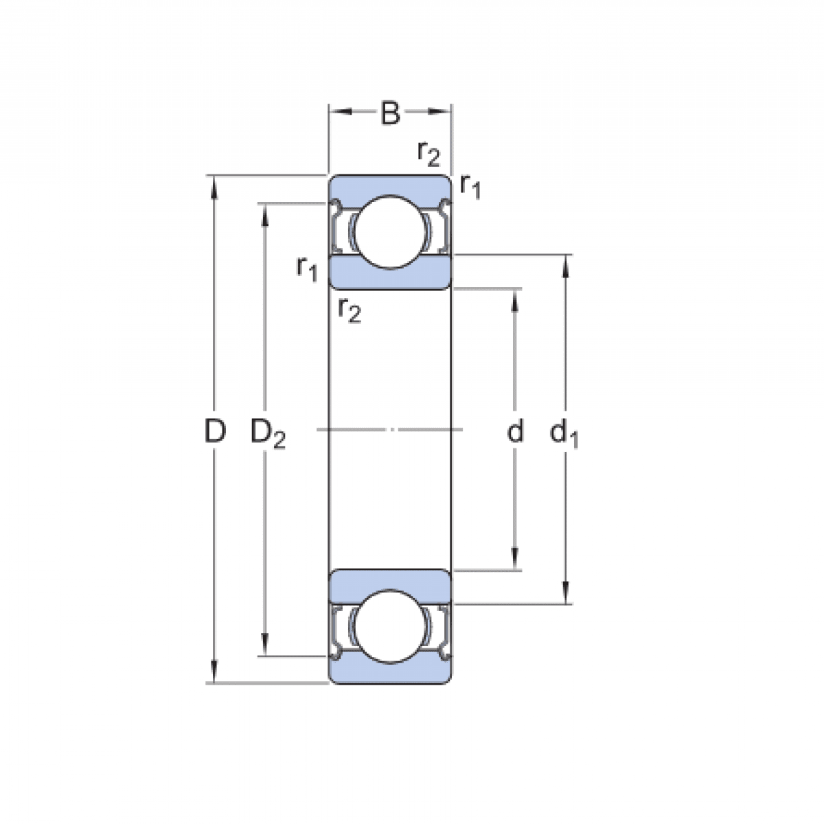
Ložisko 6310 2Z - KG

Rozmer: 50x110x27 Značka: KG
Externý sklad na dopyt
+
-
ks