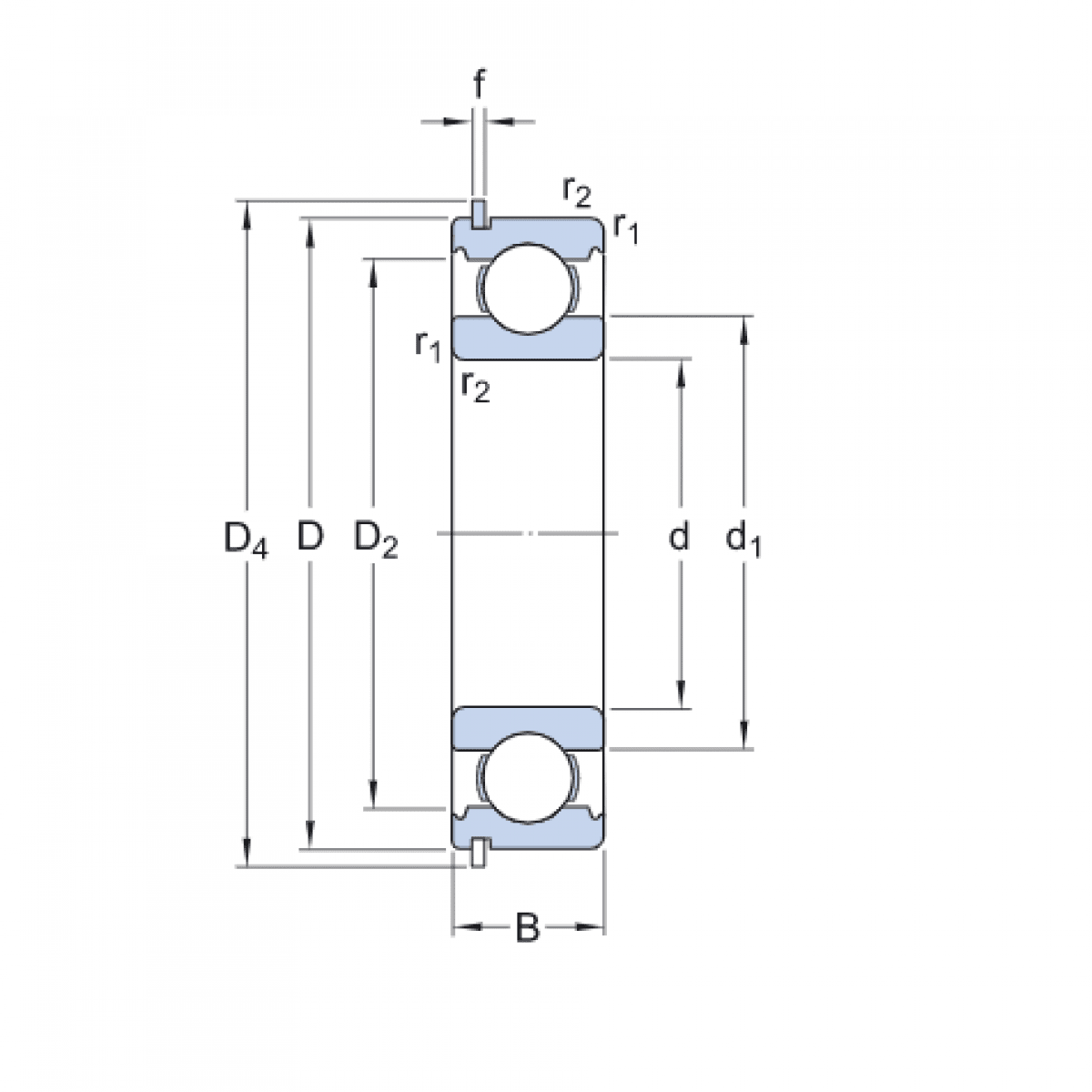
Ložisko 6311 NR - KG

Rozmer: 55x120x29 Značka: KG
Externý sklad na dopyt
+
-
ks