Ložisko 6312 2RS - KG

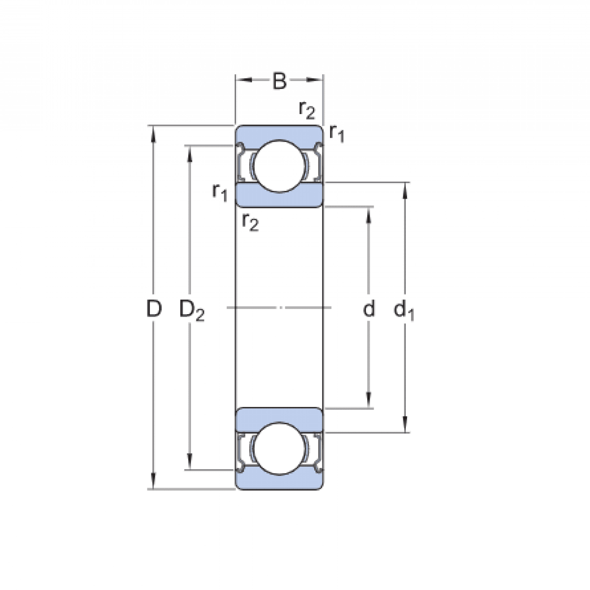
Rozmer: 60x130x31 Značka: KG
Skladom 4 ks na dopyt
+
-
ks