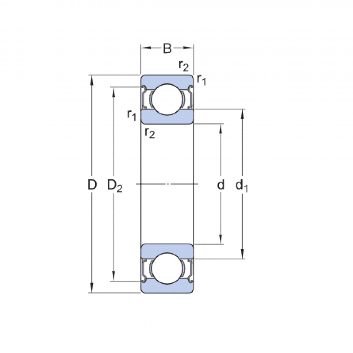
Ložisko 6314 2RS - KG

Rozmer: 70x150x35 Značka: KG
Externý sklad na dopyt
+
-
ks