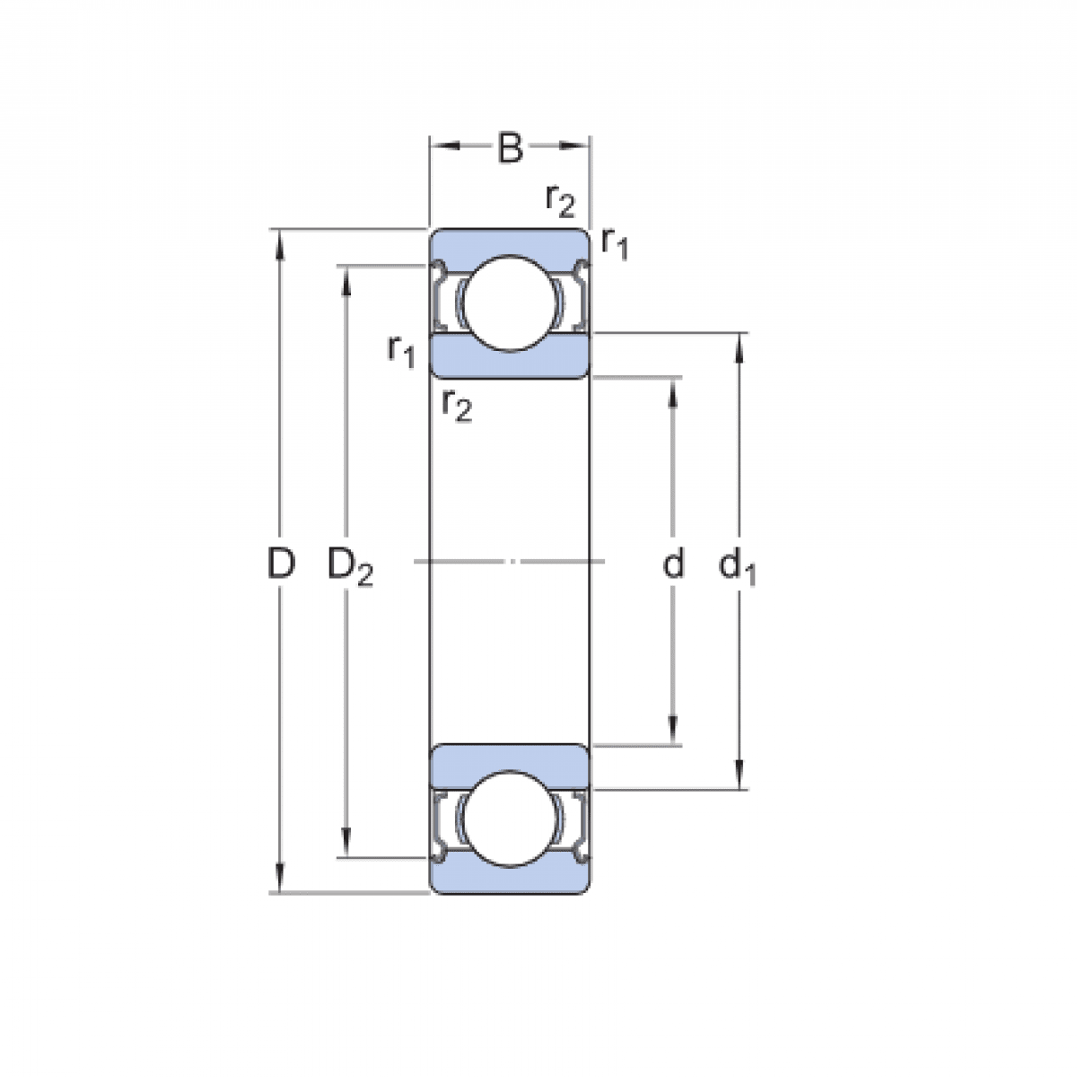
Ložisko 6316 2RS - KG

Rozmer: 80x170x39 Značka: KG
Skladom 2 ks na dopyt
+
-
ks