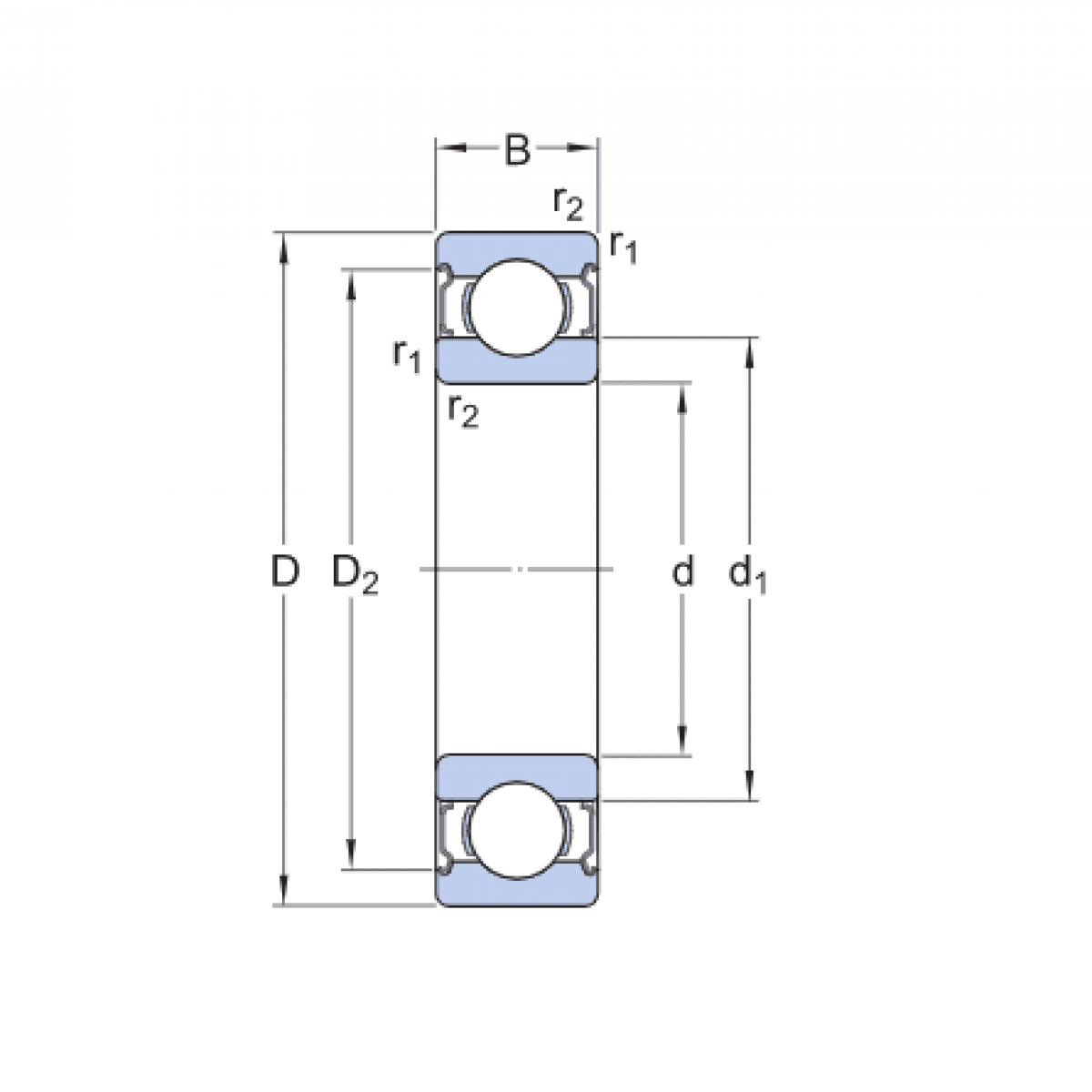
Ložisko 6318 ZZ - KG

Rozmer: 90x190x43 Značka: KG
Skladom 2 ks na dopyt
+
-
ks