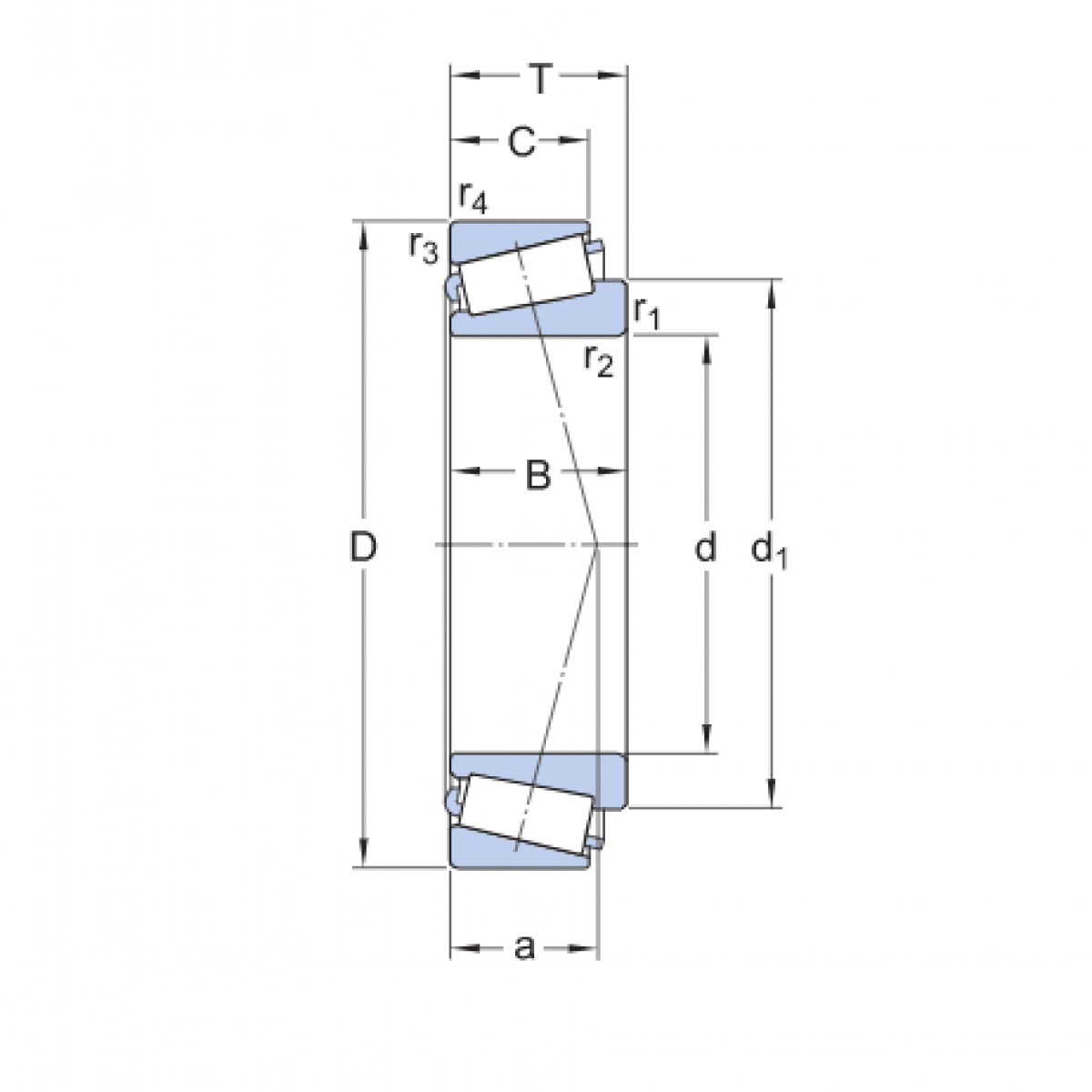
Ložisko LM 11749/LM11710 - KG

Rozmer: 17,5x39,9x14,6 Značka: KG
Externý sklad na dopyt
+
-
ks