Ložisko LM 501349/10 - KG

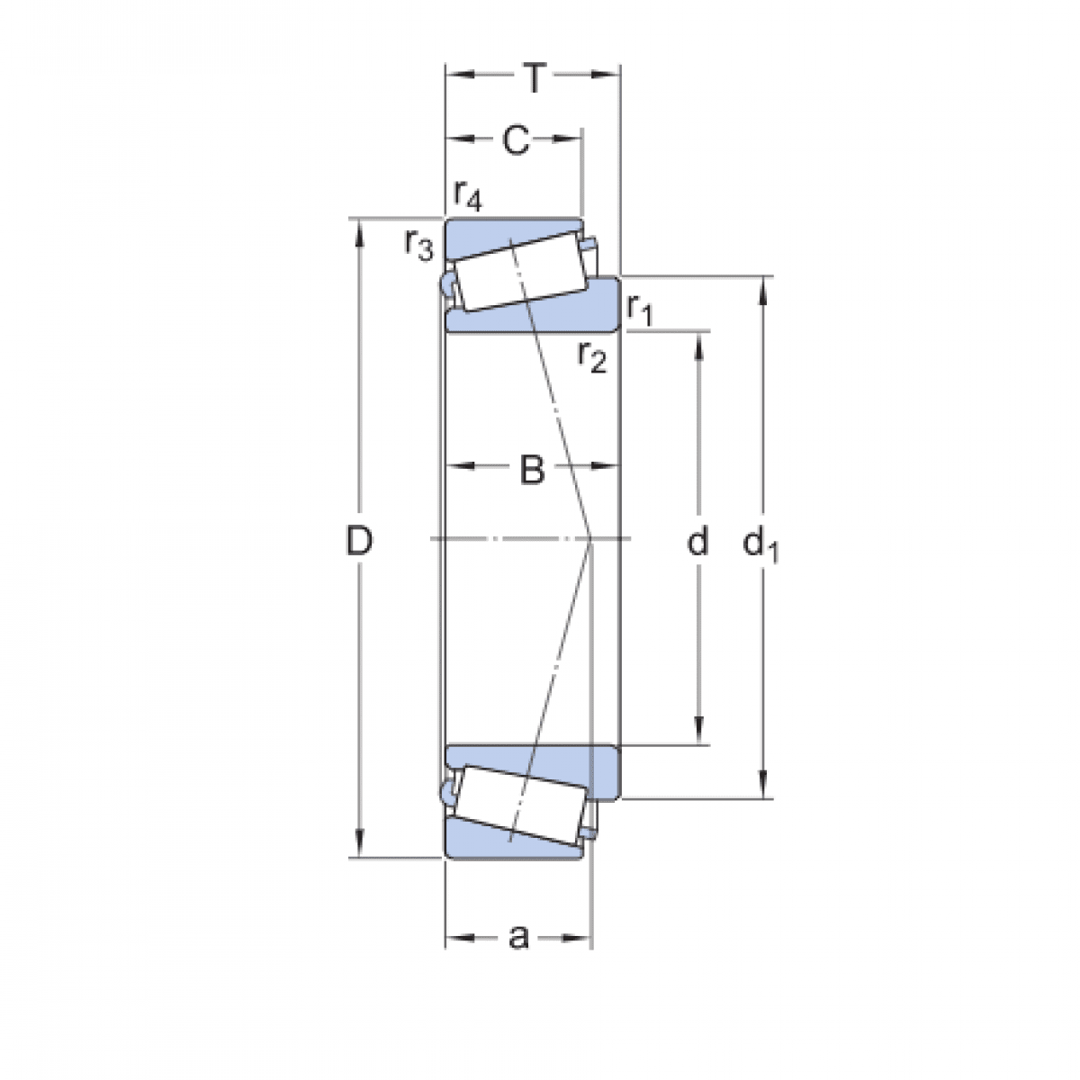
Rozmer: 41,275x73,431x19,558 Značka: KG
Externý sklad na dopyt
+
-
ks