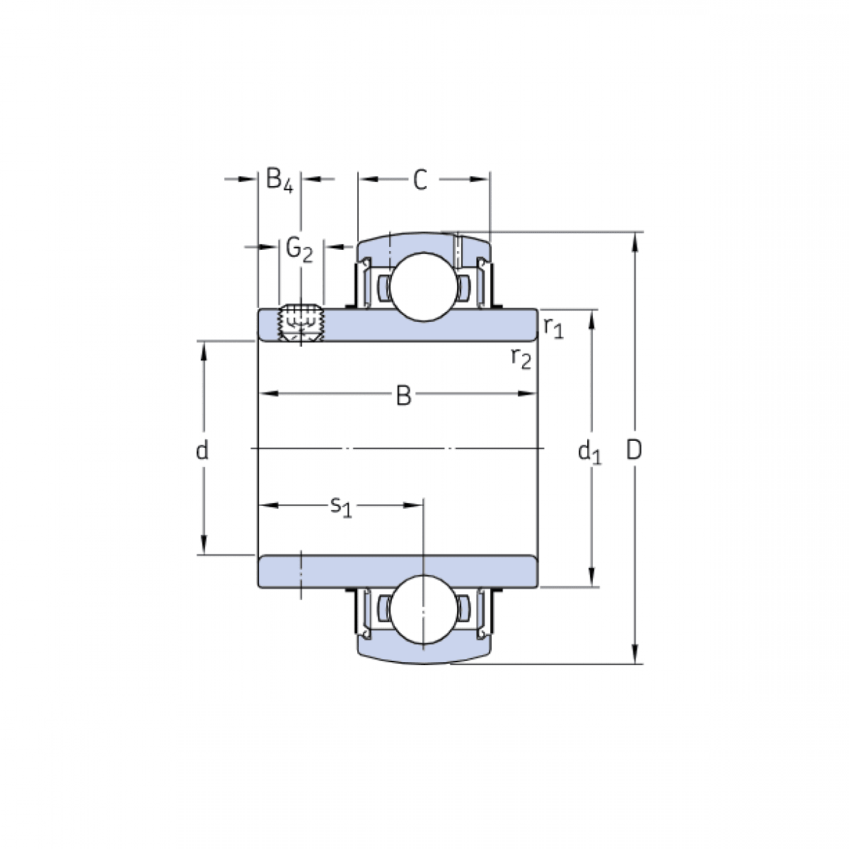
UC 210 - KG

Rozmer: 50x90x51,6/24 Značka: KG
Externý sklad na dopyt
+
-
ks