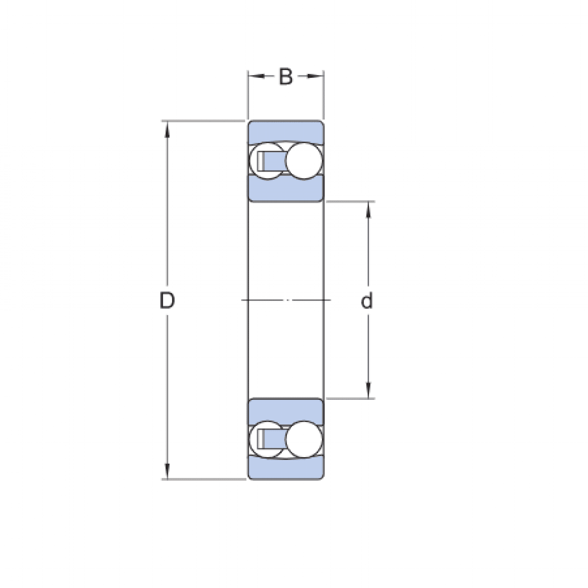
Ložisko 2211 - KG

Rozmer: 55x100x25 Značka: KG
Skladom 1 ks na dopyt
+
-
ks