Ložisko 3201 - ZKL

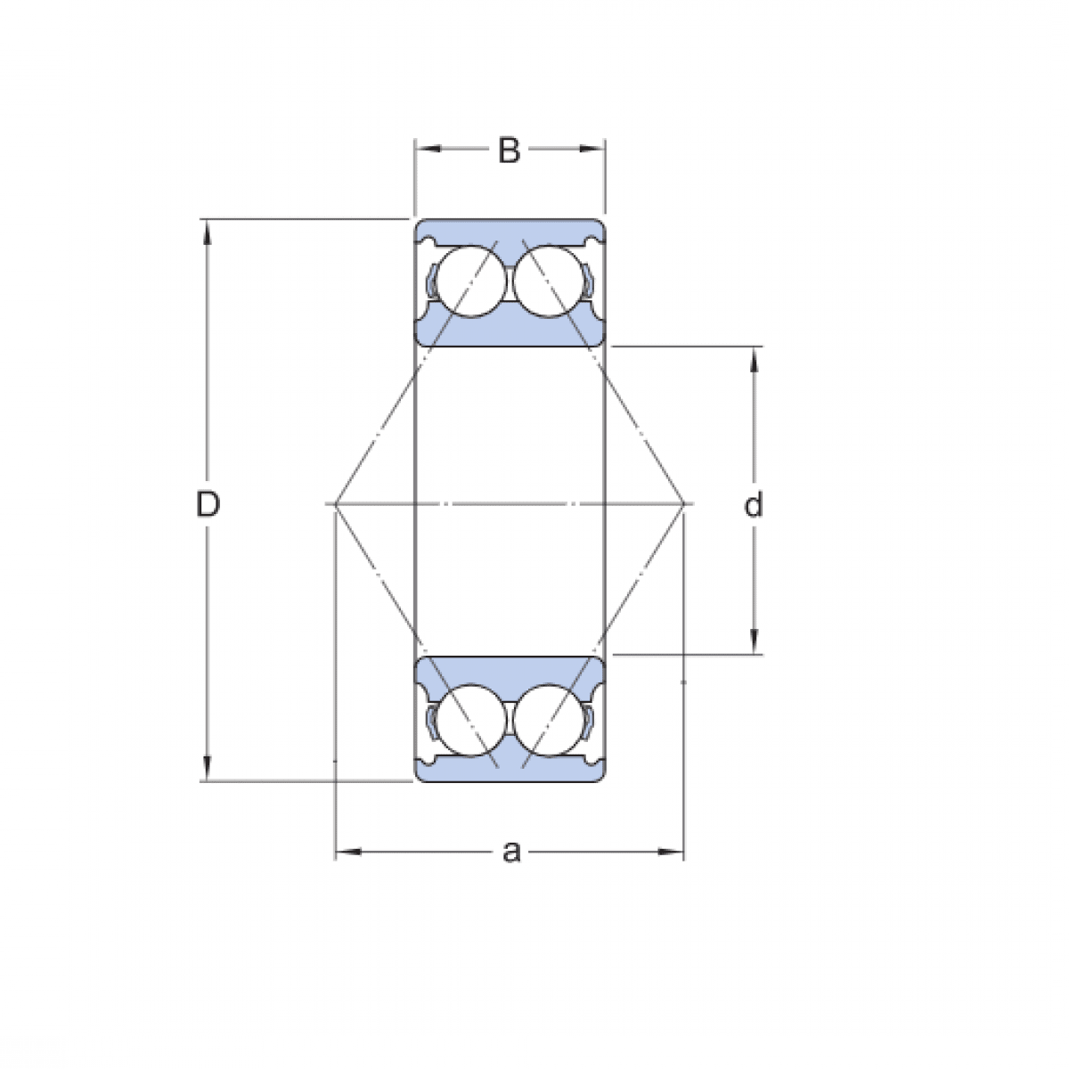
Rozmer: 12x32x15,9 Značka: ZKL
Externý sklad na dopyt
+
-
ks