Ložisko 3204 - ZVL

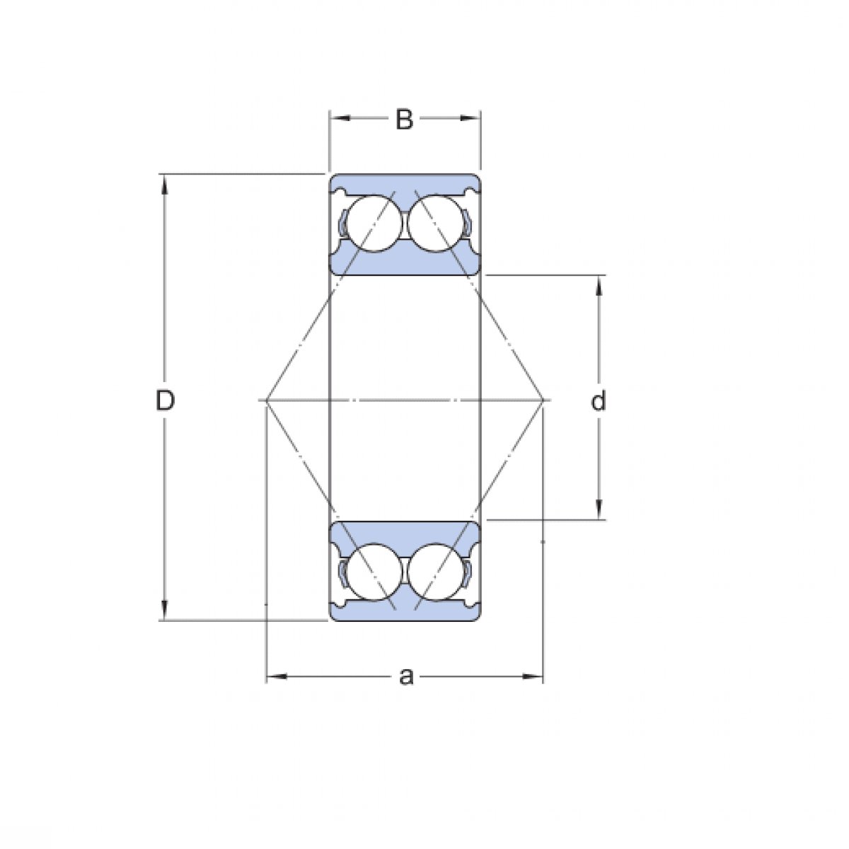
Rozmer: 20x47x20,6 Značka: ZVL
Skladom 22 ks na dopyt
+
-
ks