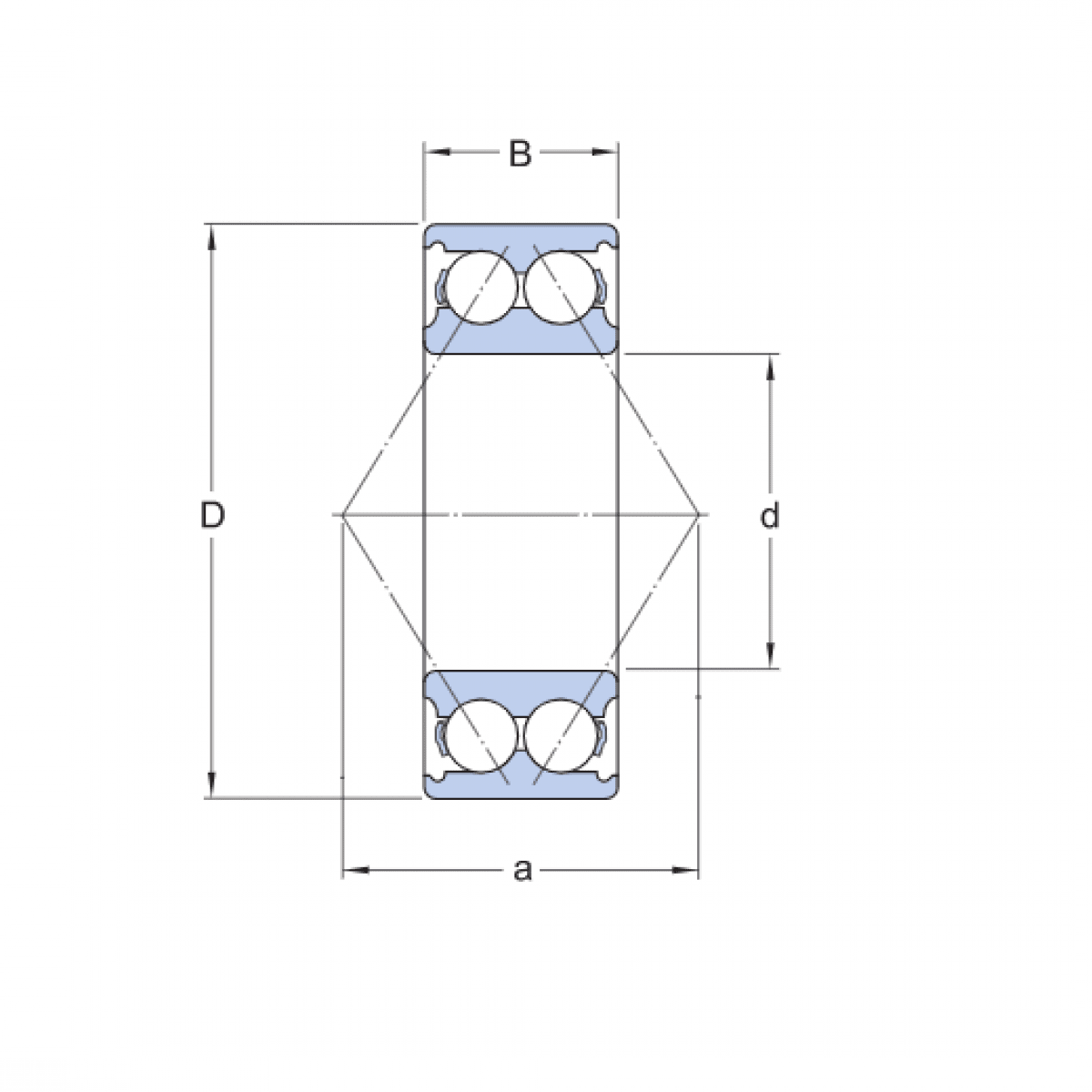
Ložisko 3206 C2 - ZKL

Rozmer: 30x62x23,8 Značka: ZKL
Externý sklad na dopyt
+
-
ks