Ložisko 3209 - MTM

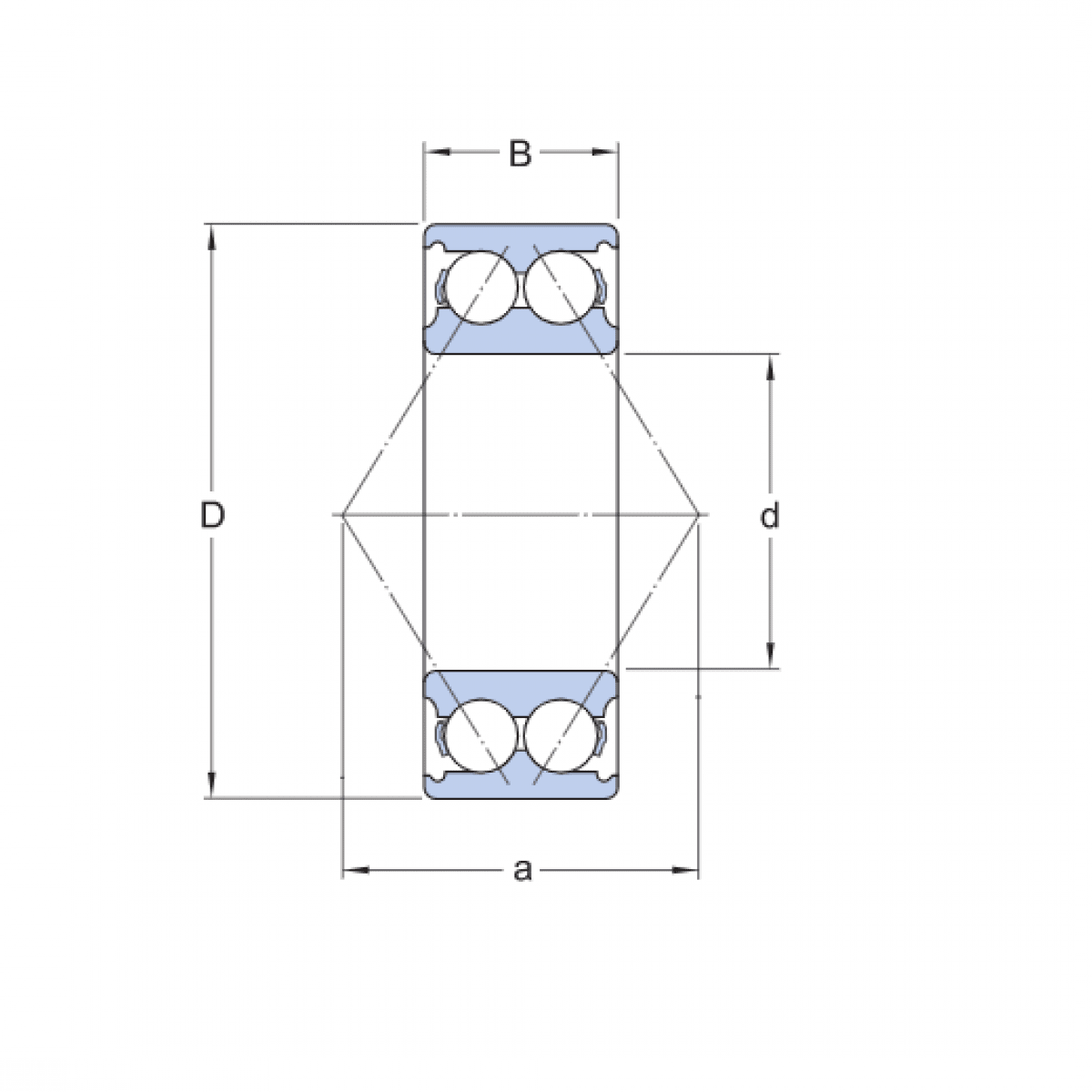
Rozmer: 45x85x30,2 Značka: MTM
Skladom 5 ks na dopyt
+
-
ks