Ložisko 3211 - CX

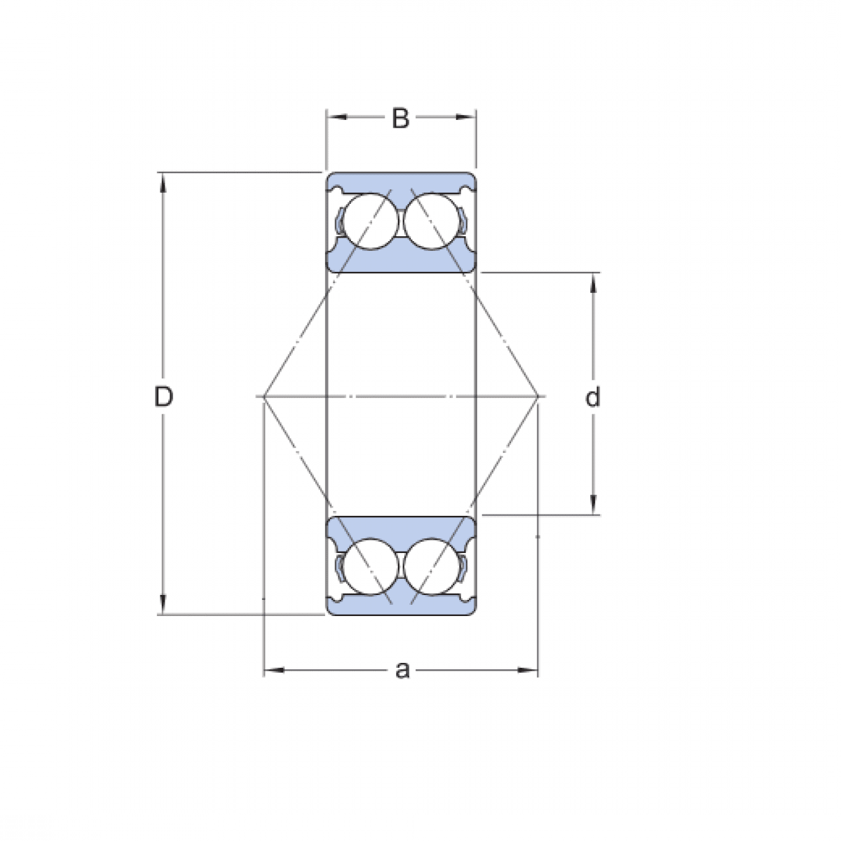
Rozmer: 55x100x33,3 Značka: CX
Skladom 3 ks na dopyt
+
-
ks