Ložisko 3212 - ZKL

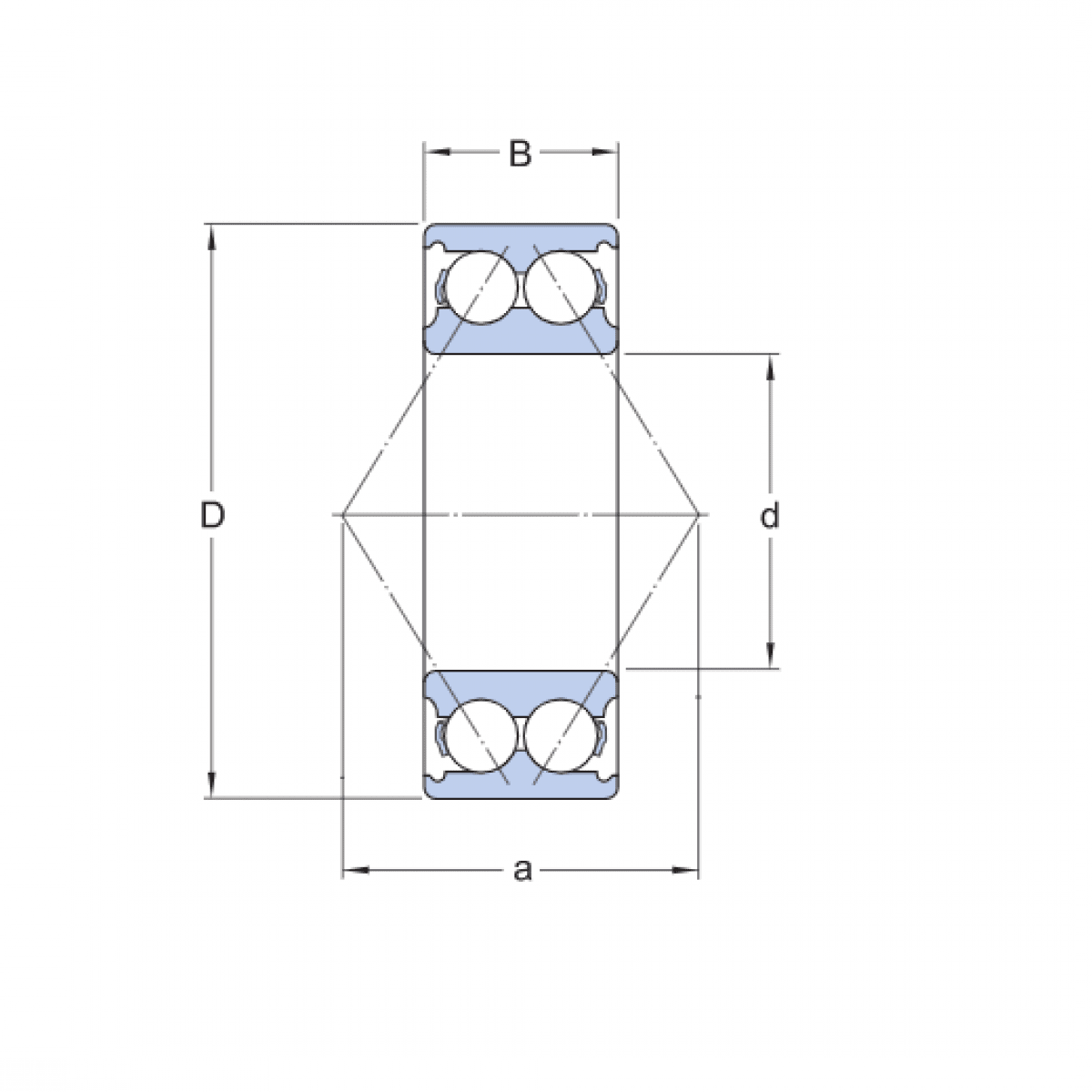
Rozmer: 60x110x36,5 Značka: ZKL
Skladom 12 ks na dopyt
+
-
ks