Ložisko 3304 - ISB

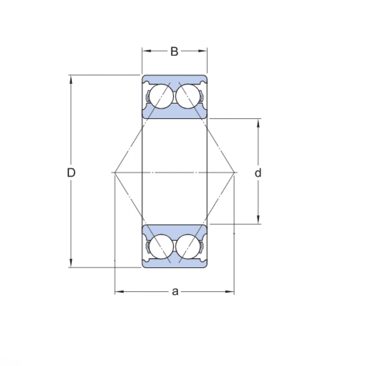
Rozmer: 20x52x22,2 Značka: ISB, JNS
Skladom 1 ks na dopyt
+
-
ks