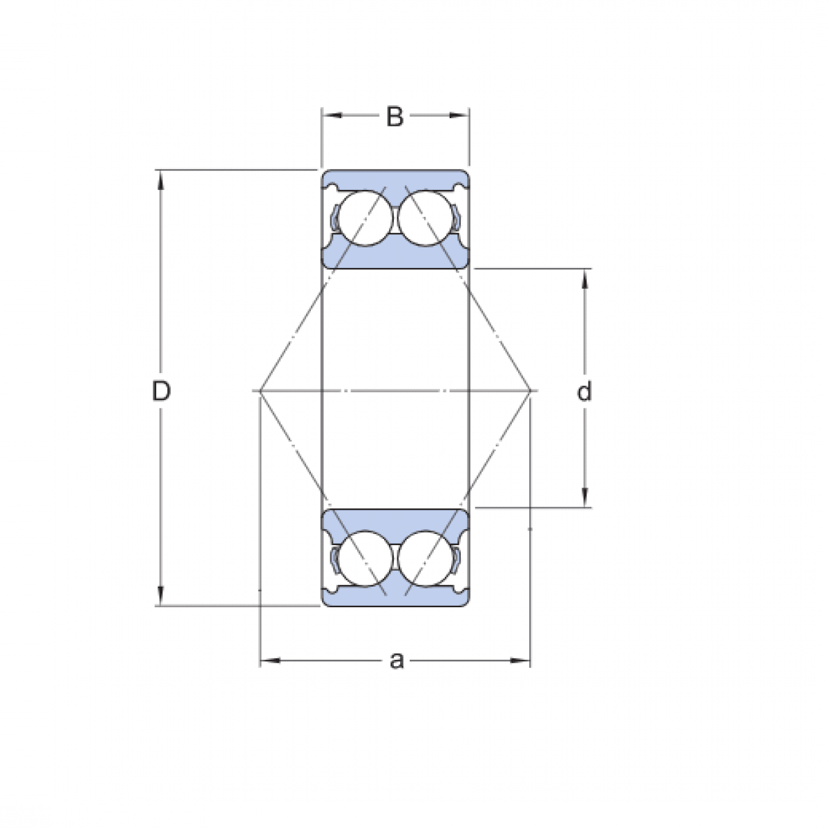
Ložisko 4211 - CX

Rozmer: 55x100x25 Značka: CX
Externý sklad na dopyt
+
-
ks